
В данном разделе размещены аксессуары и компоненты различных типов соединений для деформационных швов. Данные элементы применяются при оформлении карт бетонных полов в различных ситуациях при проектировании и устройстве промышленных бетонных полов.
Тип соединения может быть Х, Т, L, в виде кругов, полукругов и иных универсальных решений, разработанных для устройства швов полов, учитывая индивидуальные условия эксплуатации.
Каждый тип соединения устанавливается в соответствии с проектом пола, исходя из назначения, требований и условий эксплуатации пола с учетом финансовой составляющей проекта.
Стальные конструкции также могут быть разработаны и произведены для нестандартных узлов, с целью обеспечить максимально комфортную и долговечную эксплуатацию пола.
| Х- соединение DOWEL 10NA40-5D X | ![]() | ![]() |
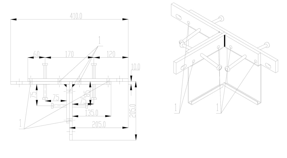
| Т-соединение DOWEL 10NA40-5D T | ![]() | ![]() |
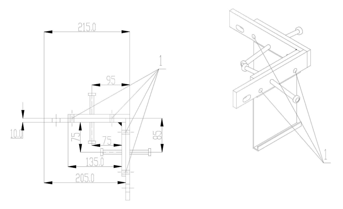
| L-соединение DOWEL 10NA40-5D L | ![]() | ![]() |
| Полукруг для колонн 03ND | ![]() | |
| Для перекрытий 08NE120 | ![]() | |
| Для холодильных камер 06NE120 | ![]() | |
| Для старого и нового пола 10NF108 | ![]() |