
Направляющие рельс-формы металлические - это простая система, которая состоит из металлического треугольного профиля специальной перфорации с полиэтиленовой вставкой и регулировочных винтов. При выполнении работ вставка обеспечивает легкое скольжение виброрейки.
Направляющие рельс-формы производятся следующих типоразмеров: от Т25 до Т155 кратно 10 мм и длиной 3.м.п. Под заказ возможно производство рельс-форм длиной 2,2 м.п.
В зависимости от модели или по желанию заказчика могут комплектоваться специальными пластинами жесткости и регулировочными винтами.
Основная область применения направляющих металлических рельс-форм - промышленные бетонные полы в производственных и жилых зданиях и сооружениях различного назначения.
Направляющие рельс-формы доступны с пластиковой вставкой двух размеров: высотой 8 мм и 18 мм. Для бетонных оснований, где бетон является финишным покрытием, необходимо использовать рельс-формы со вставкой 18 мм.
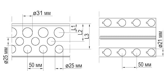
Верхний ряд отверстий рельс-форм от Т45 и более имеет увеличенный диаметр 31 мм, что существенно облегчает проникновение бетонной смеси во внутреннюю часть рельс-формы и полностью исключает образование там воздушных полостей, способных ослабить прочность бетонного основания в местах расположения рельс-форм.
Специальный пластиковый винт "четыре в одном" длиной 100 мм позволяет в процессе работ непосредственно на строительной площадке получать винты длиной 25, 40, 65 и 100 мм.
Направляющие рельс-формы металлические - это разновидность неизвлекаемой опалубки. Их применение позволяет:
- достичь точной, под нивелир, установки рельс-форм в соответствии с требованиями проекта;
- строго соблюдать заданные поперечные и продольные уклоны при любой длине и площади поверхности;
- принимать без деформации нагрузки от виброреек при поверхностном вибрировании;
- строго выдерживать высотные отметки конструкции в интервале от 25 до 200 мм и более;
- пропускать штыревую арматуру сквозь рельс-форму, в одном или нескольких уровнях, для обеспечения совместной работы соседних карт бетонирования и тем самым существенно снизить эффект коробления – «подъема краев» карт;
- создать качественные технологические, деформационные и изолирующие швы и минимизировать сопутствующее процессу твердения бетона усадочное трещинообразование.
| Наим-е | Арт. | Высота, мм | Высота вставки, мм | L1, мм | L2, мм | L3, мм | Ширина, мм | Вес 1 м.п. | Кол-во рельс в уп., шт | Длина в уп., м.п. | Вес брутто 1 уп., кг |
| Т25 | 890254 | 25 | 8 | 94 | 0,854 | 18 | 54 | 50,1 | |||
| Т35 | 890354 | 35 | 18 | 94 | 0,904 | 11 | 33 | 33,8 | |||
| Т45 | 890454 | 45 | 8 | 32 | 107 | 1,02 | 16 | 48 | 53 | ||
| Т55 | 890554 | 55 | 18 | 42 | 107 | 1,07 | 10 | 30 | 36,1 | ||
| Т65 | 890654 | 65 | 8 | 30 | 49 | 119 | 1,184 | 14 | 42 | 53,7 | |
| Т75 | 890754 | 75 | 18 | 40 | 49 | 119 | 1,234 | 9 | 27 | 37,3 | |
| Т85 | 890854 | 85 | 8 | 33 | 51 | 69 | 131 | 1,366 | 12 | 36 | 53,2 |
| Т95 | 890954 | 95 | 18 | 43 | 51 | 69 | 131 | 1,416 | 8 | 24 | 38 |
| Т105 | 891054 | 105 | 8 | 34 | 55 | 90 | 143 | 1,665 | 10 | 30 | 54 |
| Т115 | 891154 | 115 | 18 | 44 | 55 | 90 | 143 | 1,715 | 7 | 21 | 40 |
| Т125 | 891254 | 125 | 8 | 34 | 66 | 100 | 156 | 1,835 | 9 | 27 | 53,5 |
| Т135 | 891354 | 135 | 18 | 44 | 66 | 100 | 156 | 1,885 | 6 | 18 | 37,9 |
| Т145 | 891454 | 145 | 8 | 34 | 77 | 129 | 168 | 2,765 | 7 | 21 | 62,1 |
| Т155 | 891554 | 155 | 18 | 44 | 77 | 129 | 168 | 2,815 | 5 | 15 | 46,2 |

Направляющие рельс-формы имеют несколько способов установки. Ниже описывается самый простой и надежный способ.
Рекомендуется располагать линии рельс-форм, а следовательно, и будущих швов:
- по осям колонн,
- под стеллажами (оборудованием), а не в проездах или проходах,
- если же шов попадает на проезд, то вдоль линии проезда, стараясь установить рельс-форму снаружи зоны проезда;
- по линиям рабочих швов, учитывая удобство бетонирования и организацию захваток.
Установить стяжные пластины по 4 шт., чтобы не превышать расстояние 1,2 м между будущими точечными маяками. При установке рельс-формы на нижнюю сетку арматуры стяжные винты (и будущие точечные маяки) располагать в ячейках арматуры, чтобы не повредить при последующих работах ранее выставленную и зафиксированную рельс-форму.
Выставить рельс-форму винтами на нужную высоту, надежно уперев в основание. При устройстве на подвижном основании рекомендуется под винт подложить пластину из любого материала, к примеру, из плоского шифера.
Разрезать универсальный винт на винты нужной длины, чтобы выход винта над основанием грунтовой части рельс-формы был минимальным. При необходимости скрепить отдельные рельс-формы в единую линию, закрепив стяжными пластинами у основания рельс-формы и дополнительно арматурными стержнями 300-400 мм, зафиксировав их по внутренней или внешней части конька пластиковыми стяжками.
Установка штыревых соединений вдоль линии технологических швов необходима для получения равнопрочного шва при передаче нагрузки между соседними картами. Проект установки штыревых соединений определяется расчетом, но предварительно можно руководствоваться следующим:
- при толщинах плиты до 300 мм диаметр штыревых стержней равен 1/10 толщины плиты;
- длина штырей в зависимости от назначения шва;
На периодичной арматуре для получения равнопрочного шва длина совместного пересечения штырей должна составлять не менее их 40 диаметров. На гладкой арматуре для получения подвижного шва длина совместного пересечения штырей не должна превышать их 40 диаметров. Для получения равнопрочного шва расстояние между штырями не должно превышать 300 мм, при этом площадь поперечного сечения штырей должна превышать площадь поперечного сечения арматуры не менее, чем на 20%. Штыри располагаются в нижней части плиты в диапазоне от 1/3 до 1/2 высоты плиты.
Установить уплотнители в нужные отверстия рельс-форм и вставить штыревые соединения. Проверить итоговый уровень рельс-форм по нивелиру. Фиксирование рель-форм осуществляется бетонным раствором марки не ниже М150 или мелкозернистым товарным бетоном. Точечные бетонные маяки следует располагать в местах стяжных пластин и винтов. Высота бетонного маяка не должна выступать более чем на 10 мм над основанием рельс-форм. Также допускается крепление рельс-форм через пластиковый винт в основание шурупом, дюбелем или арматурой.
После того, как направляющие рельс-формы будут уложены, выровнены и закреплены, производят заливку основной массы бетона и протяжку виброрейкой. Далее бетонную поверхность обрабатывают затирочными машинами с применением сухих упрочнителей бетона.
Если устройство бетонного пола ведется без применения сухихи упрочнителей бетона, то технология следующая. Бетон укладывается в карту бетонирования с заранее установленными рельс-формами. После вибрирования его поверхность обрабатывается затирочными машинами, что позволяет иметь готовое покрытие с высокой ровностью поверхности.
На подготовленное таким образом основание можно стелить линолеум, укладывать паркет, плитку, устраивать полимерное покрытие. Исключается необходимость выполнения выравнивающей стяжки, которая обычно имеет пористую поверхность по причине применения подвижных (пластичных) растворов с высоким показателем водоцементного соотношения.
В результате исключения работ по устройству выравнивающей стяжки экономятся строительные материалы, деньги и время.